















| 表一 | ||||||
| 秀山土家族苗族自治县洪安镇综合行政执法大队财政拨款收支总表 | ||||||
| 单位:万元 | ||||||
| 收入 | 支出 | |||||
| 项目 | 预算数 | 项目 | 合计 | 一般公共预算 | 政府性基金预算 | 国有资本经营预算 |
| 一、本年收入 | 158.53 | 一、本年支出 | 158.53 | 158.53 | ||
| 一般公共预算资金 | 158.53 | 社会保障和就业支出 | 22.82 | 22.82 | ||
| 政府性基金预算资金 | 卫生健康支出 | 7.84 | 7.84 | |||
| 国有资本经营预算资金 | 城乡社区支出 | 120.77 | 120.77 | |||
| 住房保障支出 | 7.10 | 7.10 | ||||
| 二、上年结转 | 二、结转下年 | |||||
| 一般公共预算拨款 | ||||||
| 政府性基金预算拨款 | ||||||
| 国有资本经营收入 | ||||||
| 收入合计 | 158.53 | 支出合计 | 158.53 | 158.53 | ||
| 备注:如出现明细金额之和与合计数存在轻微误差,系数据收舍原因,不影响本表数据真实性、准确性。 | ||||||
| 表二 | ||||
| 秀山土家族苗族自治县洪安镇综合行政执法大队一般公共预算财政拨款支出预算表 | ||||
| 单位:万元 | ||||
| 功能分类科目 | 2026年预算数 | |||
| 科目编码 | 科目名称 | 小计 | 基本支出 | 项目支出 |
| 合计 | 158.53 | 158.53 | ||
| 208 | 社会保障和就业支出 | 22.82 | 22.82 | |
| 20805 | 行政事业单位养老支出 | 22.82 | 22.82 | |
| 2080502 | 事业单位离退休 | 2.58 | 2.58 | |
| 2080505 | 机关事业单位基本养老保险缴费支出 | 13.49 | 13.49 | |
| 2080506 | 机关事业单位职业年金缴费支出 | 6.75 | 6.75 | |
| 210 | 卫生健康支出 | 7.84 | 7.84 | |
| 21011 | 行政事业单位医疗 | 7.84 | 7.84 | |
| 2101102 | 事业单位医疗 | 5.92 | 5.92 | |
| 2101199 | 其他行政事业单位医疗支出 | 1.92 | 1.92 | |
| 212 | 城乡社区支出 | 120.77 | 120.77 | |
| 21201 | 城乡社区管理事务 | 120.77 | 120.77 | |
| 2120199 | 其他城乡社区管理事务支出 | 120.77 | 120.77 | |
| 221 | 住房保障支出 | 7.10 | 7.10 | |
| 22102 | 住房改革支出 | 7.10 | 7.10 | |
| 2210201 | 住房公积金 | 7.10 | 7.10 | |
| 备注:如出现明细金额之和与合计数存在轻微误差,系数据收舍原因,不影响本表数据真实性、准确性。 | ||||
| 表三 | ||||
| 秀山土家族苗族自治县洪安镇综合行政执法大队一般公共预算财政拨款基本支出预算表 | ||||
| (部门预算支出经济分类科目) | ||||
| 单位:万元 | ||||
| 部门预算经济科目 | 2026年基本支出 | |||
| 科目编码 | 科目名称 | 总计 | 人员经费 | 日常公用经费 |
| 合计 | 158.53 | 140.78 | 17.74 | |
| 301 | 工资福利支出 | 138.20 | 138.20 | |
| 30101 | 基本工资 | 30.53 | 30.53 | |
| 30102 | 津贴补贴 | 8.80 | 8.80 | |
| 30107 | 绩效工资 | 62.93 | 62.93 | |
| 30108 | 机关事业单位基本养老保险缴费 | 13.49 | 13.49 | |
| 30109 | 职业年金缴费 | 6.75 | 6.75 | |
| 30110 | 职工基本医疗保险缴费 | 5.92 | 5.92 | |
| 30112 | 其他社会保障缴费 | 0.77 | 0.77 | |
| 30113 | 住房公积金 | 7.10 | 7.10 | |
| 30114 | 医疗费 | 1.92 | 1.92 | |
| 302 | 商品和服务支出 | 17.74 | 17.74 | |
| 30201 | 办公费 | 1.92 | 1.92 | |
| 30205 | 水费 | 1.00 | 1.00 | |
| 30206 | 电费 | 1.00 | 1.00 | |
| 30207 | 邮电费 | 8.00 | 8.00 | |
| 30216 | 培训费 | 0.46 | 0.46 | |
| 30228 | 工会经费 | 0.37 | 0.37 | |
| 30299 | 其他商品和服务支出 | 5.00 | 5.00 | |
| 303 | 对个人和家庭的补助 | 2.58 | 2.58 | |
| 30305 | 生活补助 | 2.30 | 2.30 | |
| 30307 | 医疗费补助 | 0.28 | 0.28 | |
| 备注:如出现明细金额之和与合计数存在轻微误差,系数据收舍原因,不影响本表数据真实性、准确性。 | ||||
| 表四 | ||
| 秀山土家族苗族自治县洪安镇综合行政执法大队一般公共预算财政拨款基本支出预算表 | ||
| (政府预算支出经济分类科目) | ||
| 单位:万元 | ||
| 政府预算经济科目 | 2026年基本支出 | |
| 科目编码 | 科目名称 | |
| 合计 | 158.53 | |
| 505 | 对事业单位经常性补助 | 155.95 |
| 50501 | 工资福利支出 | 138.20 |
| 50502 | 商品和服务支出 | 17.74 |
| 509 | 对个人和家庭的补助 | 2.58 |
| 50901 | 社会福利和救助 | 2.58 |
| 备注:如出现明细金额之和与合计数存在轻微误差,系数据收舍原因,不影响本表数据真实性、准确性。 | ||
| 表五 | ||
| 秀山土家族苗族自治县洪安镇综合行政执法大队一般公共预算财政拨款项目支出预算表 | ||
| (部门预算支出经济分类科目) | ||
| 单位:万元 | ||
| 部门预算经济科目 | 项目支出 | |
| 科目编码 | 科目名称 | |
| 合计 | ||
| 备注:如出现明细金额之和与合计数存在轻微误差,系数据收舍原因,不影响本表数据真实性、准确性。 | ||
| 表六 | ||
| 秀山土家族苗族自治县洪安镇综合行政执法大队一般公共预算财政拨款项目支出预算表 | ||
| (政府预算支出经济分类科目) | ||
| 单位:万元 | ||
| 政府预算经济科目 | 项目支出 | |
| 科目编码 | 科目名称 | |
| 合计 | ||
| 备注:如出现明细金额之和与合计数存在轻微误差,系数据收舍原因,不影响本表数据真实性、准确性。 | ||
| 表七 | |||||
| 秀山土家族苗族自治县洪安镇综合行政执法大队一般公共预算三公经费支出表 | |||||
| 单位:万元 | |||||
| 2026年预算数 | |||||
| 合计 | 因公出国(境)费 | 公务用车购置及运行费 | 公务接待费 | ||
| 小计 | 公务用车购置费 | 公务用车运行费 | |||
| 备注:如出现明细金额之和与合计数存在轻微误差,系数据收舍原因,不影响本表数据真实性、准确性。 | |||||
| 表八 | ||||
| 秀山土家族苗族自治县洪安镇综合行政执法大队性基金预算支出表 | ||||
| 单位:万元 | ||||
| 科目编码 | 科目名称 | 2026年预算数 | ||
| 总计 | 基本支出 | 项目支出 | ||
| 合计 | ||||
| (备注:本单位无政府性基金收支,故此表无数据。) | ||||
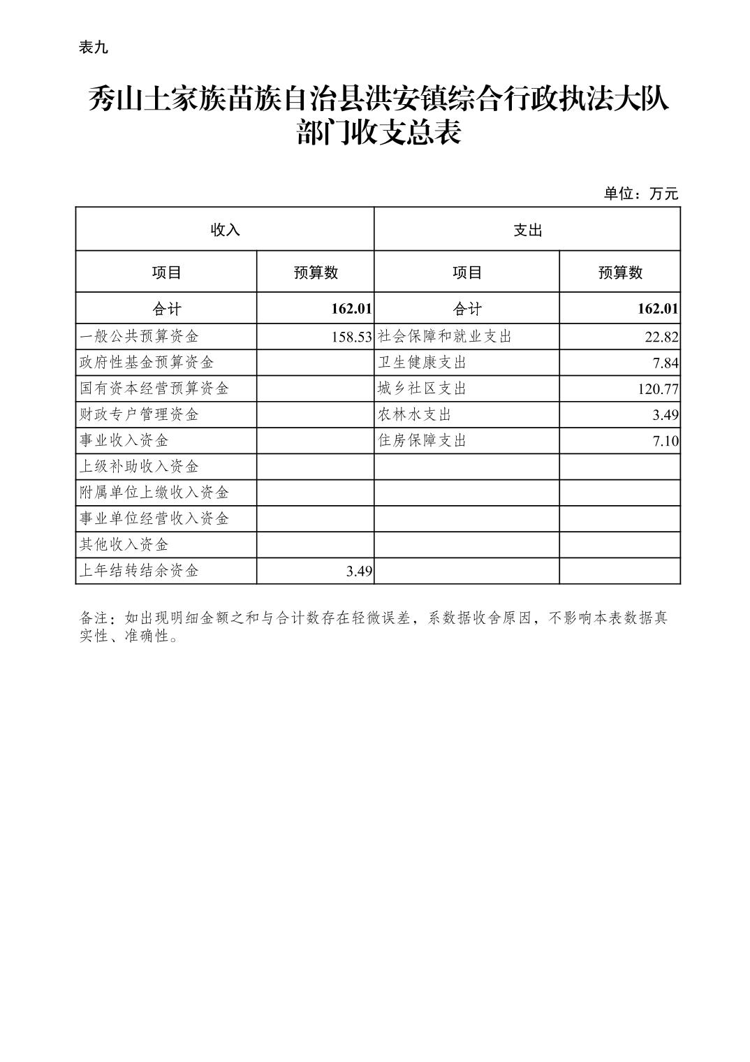
| 表九 | ||||
| 秀山土家族苗族自治县洪安镇综合行政执法大队部门收支总表 | ||||
| 单位:万元 | ||||
| 收入 | 支出 | |||
| 项目 | 预算数 | 项目 | 预算数 | |
| 合计 | 162.01 | 合计 | 162.01 | |
| 11 | 一般公共预算资金 | 158.53 | 社会保障和就业支出 | 22.82 |
| 政府性基金预算资金 | 卫生健康支出 | 7.84 | ||
| 国有资本经营预算资金 | 城乡社区支出 | 120.77 | ||
| 财政专户管理资金 | 农林水支出 | 3.49 | ||
| 事业收入资金 | 住房保障支出 | 7.10 | ||
| 上级补助收入资金 | ||||
| 附属单位上缴收入资金 | ||||
| 事业单位经营收入资金 | ||||
| 其他收入资金 | ||||
| 999 | 上年结转结余资金 | 3.49 | ||
| 备注:如出现明细金额之和与合计数存在轻微误差,系数据收舍原因,不影响本表数据真实性、准确性。 | ||||
| 表十 | ||||||||||||
| 秀山土家族苗族自治县洪安镇综合行政执法大队部门收入总表 | ||||||||||||
| 单位:万元 | ||||||||||||
| 科目 | 总计 | 上年结转结余收入资金 | 一般公共预算拨款收入 | 政府性基金预算拨款收入 | 国有资本经营预算拨款收入 | 财政专户管理资金收入 | 事业收入 | 上级补助收入 | 附属单位上缴收入 | 事业单位经营收入 | 其他收入 | |
| 科目编码 | 科目名称 | |||||||||||
| 合计 | 162.01 | 3.49 | 158.53 | |||||||||
| 208 | 社会保障和就业支出 | 22.82 | 22.82 | |||||||||
| 20805 | 行政事业单位养老支出 | 22.82 | 22.82 | |||||||||
| 2080502 | 事业单位离退休 | 2.58 | 2.58 | |||||||||
| 2080505 | 机关事业单位基本养老保险缴费支出 | 13.49 | 13.49 | |||||||||
| 2080506 | 机关事业单位职业年金缴费支出 | 6.75 | 6.75 | |||||||||
| 210 | 卫生健康支出 | 7.84 | 7.84 | |||||||||
| 21011 | 行政事业单位医疗 | 7.84 | 7.84 | |||||||||
| 2101102 | 事业单位医疗 | 5.92 | 5.92 | |||||||||
| 2101199 | 其他行政事业单位医疗支出 | 1.92 | 1.92 | |||||||||
| 212 | 城乡社区支出 | 120.77 | 120.77 | |||||||||
| 21201 | 城乡社区管理事务 | 120.77 | 120.77 | |||||||||
| 2120199 | 其他城乡社区管理事务支出 | 120.77 | 120.77 | |||||||||
| 213 | 农林水支出 | 3.49 | 3.49 | |||||||||
| 21301 | 农业农村 | 3.49 | 3.49 | |||||||||
| 2130122 | 农业生产发展 | 3.49 | 3.49 | |||||||||
| 221 | 住房保障支出 | 7.10 | 7.10 | |||||||||
| 22102 | 住房改革支出 | 7.10 | 7.10 | |||||||||
| 2210201 | 住房公积金 | 7.10 | 7.10 | |||||||||
| 备注:如出现明细金额之和与合计数存在轻微误差,系数据收舍原因,不影响本表数据真实性、准确性。 | ||||||||||||
| 表十一 | ||||
| 秀山土家族苗族自治县洪安镇综合行政执法大队部门支出总表 | ||||
| 单位:万元 | ||||
| 科目编码 | 科目名称 | 总计 | 基本支出 | 项目支出 |
| 合计 | 162.01 | 158.53 | 3.49 | |
| 208 | 社会保障和就业支出 | 22.82 | 22.82 | |
| 20805 | 行政事业单位养老支出 | 22.82 | 22.82 | |
| 2080502 | 事业单位离退休 | 2.58 | 2.58 | |
| 2080505 | 机关事业单位基本养老保险缴费支出 | 13.49 | 13.49 | |
| 2080506 | 机关事业单位职业年金缴费支出 | 6.75 | 6.75 | |
| 210 | 卫生健康支出 | 7.84 | 7.84 | |
| 21011 | 行政事业单位医疗 | 7.84 | 7.84 | |
| 2101102 | 事业单位医疗 | 5.92 | 5.92 | |
| 2101199 | 其他行政事业单位医疗支出 | 1.92 | 1.92 | |
| 212 | 城乡社区支出 | 120.77 | 120.77 | |
| 21201 | 城乡社区管理事务 | 120.77 | 120.77 | |
| 2120199 | 其他城乡社区管理事务支出 | 120.77 | 120.77 | |
| 213 | 农林水支出 | 3.49 | 3.49 | |
| 21301 | 农业农村 | 3.49 | 3.49 | |
| 2130122 | 农业生产发展 | 3.49 | 3.49 | |
| 221 | 住房保障支出 | 7.10 | 7.10 | |
| 22102 | 住房改革支出 | 7.10 | 7.10 | |
| 2210201 | 住房公积金 | 7.10 | 7.10 | |
| 备注:如出现明细金额之和与合计数存在轻微误差,系数据收舍原因,不影响本表数据真实性、准确性。 | ||||
| 表十二 | ||||||||||||||||||||||
| 单位:万元 | ||||||||||||||||||||||
| 功能科目编码 | 功能科目名称 | 项目名称 | 项目分类 | 总计 | 上年结转结余收入资金 | 一般公共预算 | 政府性基金预算 | 国有资本经营预算 | 财政专户管理资金 | 单位资金 | ||||||||||||
| 小计 | 财力安排 | 有专项用途的非税收入 | 一般债券 | 小计 | 政府性基金预算 | 专项债券 | 小计 | 事业收入资金 | 上级补助收入资金 | 附属单位上缴收入资金 | 事业单位经营收入资金 | 其他收入资金 | ||||||||||
| 合计 | 3.49 | 3.49 | ||||||||||||||||||||
| 3.49 | 3.49 | |||||||||||||||||||||
| 2130122 | 农业生产发展 | 单位资金结余安排支出 | 一般性项目 | 3.49 | 3.49 | |||||||||||||||||
| 表十三 | ||||||||
| 秀山土家族苗族自治县洪安镇综合行政执法大队部门整体绩效目标表 | ||||||||
| 单位:万元 | ||||||||
| 部门(单位)名称 | 部门支出预算数 | |||||||
| 当年整体绩效目标 | ||||||||
| 绩效指标 | 一级指标 | 二级指标 | 三级指标 | 指标权重 | 计量单位 | 指标性质 | 是否核心指标 | 指标值 |
| 表十四 | ||||||||
| 2026年重点专项资金绩效目标表(汇总项目) | ||||||||
| 编制单位: | 单位:万元 | |||||||
| 专项资金名称 | 业务主管部门 | |||||||
| 当年预算 | 本级安排(万元) | |||||||
| 上级补助(万元) | ||||||||
| 项目概况 | ||||||||
| 立项依据 | ||||||||
| 当年绩效目标 | ||||||||
| 绩效指标 | 一级指标 | 二级指标 | 三级指标 | 指标权重 | 计量单位 | 指标性质 | 指标值 | 是否核心指标 |
| 表十五 | ||||||||||||
| 2026年项目支出绩效目标表 | ||||||||||||
| 编制单位: | 单位:万元 | |||||||||||
| 项目名称 | 业务主管部门 | |||||||||||
| 预算执行率权重 | 项目分类 | |||||||||||
| 当年预算(万元) | 本级安排(万元) | |||||||||||
| 上级补助(万元) | ||||||||||||
| 项目概述 | ||||||||||||
| 立项依据 | ||||||||||||
| 当年绩效目标 | ||||||||||||
| 绩效指标 | 一级指标 | 二级指标 | 三级指标 | 指标权重 | 计量单位 | 指标性质 | 指标值 | 是否核心指标 | ||||
| 表十六 | |||||||||||||
| 政府采购预算明细表 | |||||||||||||
| 单位:万元 | |||||||||||||
| 项目编码 | 项目名称 | 总计 | 上年结转结余收入 | 一般公共预算拨款收入 | 政府性基金预算拨款收入 | 国有资本经营预算拨款收入 | 财政专户管理资金收入 | 事业收入 | 上级补助收入 | 附属单位上缴收入 | 事业单位经营收入 | 其他收入 | |
| 合计 | |||||||||||||
| 备注:如出现明细金额之和与合计数存在轻微误差,系数据收舍原因,不影响本表数据真实性、准确性。 | |||||||||||||
热门词汇
最新政策
国务院部门网站
地方政府网站
市政府部门网站
区(县)政府网站
其他网站
版权所有:秀山土家族苗族自治县人民政府 主办:秀山土家族苗族自治县人民政府办公室
网站标识码:5002410002 ICP备案:渝ICP备18015756号-1 渝公网安备 50024102500278号